Профиль врезной для светодиодной ленты

Описание
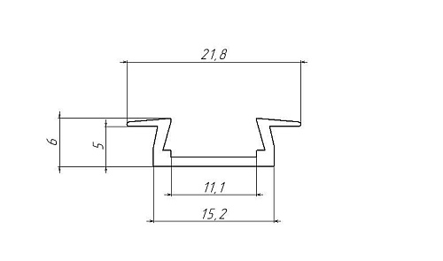
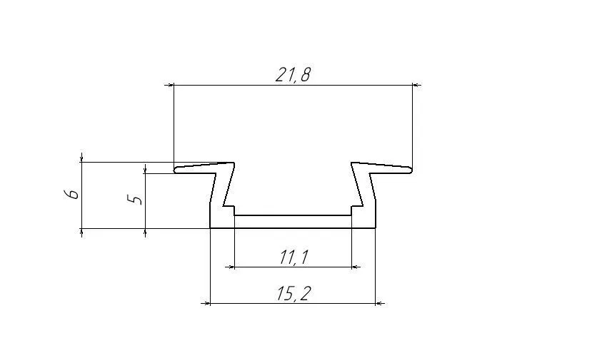
Профили для светодиодных лент предназначены для оборудования скрытой подсветки, декорирования мебели, объектов интерьера в доме, офисе и общественных зданиях. Представляет собой врезной короб с экраном, который обеспечивает защиту ленты от внешнего влияния и способствует мягкому рассеиванию света. Профиль врезается в соответствующие по размеру фрезерованные углубления. Изделие выполняет защитную и декоративную функцию. Применение этого аксессуара позволяет без ограничений использовать светодиодную ленту в интерьере, не опасаясь ударов и случайных брызг воды. Врезной профиль для светодиодных лент используется для установки алюминиевого профиля в корпус шкафа, предварительно необходимо подготовить паз с помощью фрезерования, плита должна быть не менее 16мм.
Характеристики
Бренд:
Grandis
Материал:
Алюминий
Длина профиля
6,0 м